Máy chấn tôn thủy lực điều khiển cnc kết nối robot:
Wuxi Shenchong Forging Machine Co., Ltd được thành lập năm 2002, chuyên sản xuất các máy xử lý gia công kim loại tấm như là máy chấn, máy cắt và máy lốc tôn. Công ty chúng tôi có một đội ngũ kỹ sư dày dặn kinh nghiệm và chuyên môn, có khả năng làm việc độc lập để phát triển và thiết kế các sản phẩm mới. Năm 2005, chúng tôi đã phát triển máy chấn tôn với màn hình cảm ứng, hệ thống CNC đa trục cho máy cắt tôn và đạt được giải thưởng Công nghệ cao của Jiangsu. Công ty chúng tôi đã chiến thắng các doanh nghiệp công nghệ cao khác ở tỉnh Jiangsu để đạt được giải thưởng này. Vào năm 2006, chúng tôi đã phát triển hệ thống máy kép 2XWE67K1000T/6500, kết hợp máy chấn CNC và máy cắt QC11K16X10000.
Năm 2007, chúng tôi đã sản xuất máy chấn 25X13000 và máy cắt QC11Y-50X2500. Năm 2008, chúng tôi đã phát triển máy chấn CNC 9 trục, một thiết kế mới tinh xảo, được trưng bày tại triển lãm Máy công cụ Bắc Kinh và Máy công cụ Milan tại Ý. Năm 2010, hệ thống loại bỏ mô-men xoắn ở máy cắt tôn đã được phát triển. Năm 2012, công ty chúng tôi đã phát triển máy chấn tôn tự động tốc độ cao 4 trục 20T/1000. Vào năm 2014, chúng tôi đã phát triển hệ thống máy chấn đồng bộ điện thủy lực được điều khiển bằng bơm động cơ servo tiếng kiệm năng lượng và không tạo tiếng ồn. Năm 2015, máy chấn tự động tích hợp tay rô-bốt gắp phôi ra vào đã được phát triển. Vào năm 2016 và 2017, chúng tôi đã phát triển một máy chấn kết hợp điện thủy lực. Máy chấn độ chính xác cao đồng bộ điện thủy lực đã đặt ra nền tảng vững chắc cho sự phát triển lâu dài của công ty chúng tôi.

Ngoài việc tập trung vào nghiên cứu và phát triển công nghệ, công ty chúng tôi còn tập trung vào các yếu tố chất lượng sản phẩm và xây dựng thương hiệu. Công ty chúng tôi được hình thành như là một hệ thống dịch vụ hoàn hảo bao gồm dịch vụ trước bán hàng, dịch vụ bán hàng và sau bán hàng. Trong năm 2003, chúng tôi đã đạt được chứng chỉ 9001, thành lập 9 địa điểm dịch vụ sau bán hàng ở toàn quốc. Năm 2004, chúng tôi thành lập Ban ngoại thương để thúc đẩy sản phẩm ra thị trường quốc tế và đã đạt được giấy phép chất lượng sản phẩm xuất khẩu vào năm 2005, chúng tôi đã có được chứng chỉ để thực hiện xuất khẩu hàng hóa. Năm 2006, đạt được chứng chỉ TuV CE. Các sản phẩm của công ty chúng tôi có thể được xuất khẩu trực tiếp qua thị trường Châu Âu. Vào năm 2009, chúng tôi đã đạt được thành tựu doanh nghiệp xuất khẩu sản phẩm công nghiệp ở tỉnh Jiangsu và được miễn trừ kiểm tra cho các sản phẩm xuất khẩu.
Năm 2005, công ty chúng tôi đã bắt đầu đăng ký thương hiệu Shenchong tại nhiều quốc gia trên thế giới. Tới tháng 5 năm 2008, chúng tôi đã hoàn thành đăng ký thương hiệu Shenchong tại nhiều quốc gia và vùng lãnh thổ, tạo tiền đề để các sản phẩm công ty tiến xa trên toàn cầu. Chúng tôi đã thành lập trên 20 nhà phân phối nước ngoài và sản phẩm đã được xuất khẩu tới hơn 56 quốc gia và vùng lãnh thổ. Quá trình sản xuất đảm bảo chất lượng cho các sản phẩm Shenchong. Wuxi Shenchong Forging Machine Co., Ltd luôn sẵn sàng đồng hành cùng khách hàng trong và ngoài nước và tạo nên các sản phẩm ngày càng tốt hơn.
Mô tả về chương trình: (Trung tâm chấn tôn thông minh.)
3.1 Mô tả về phôi
| Chiều dài (mm) | Chiều rộng (mm) | Chiều dày (mm) | Trọng lượng (Kg) | Vật liệu | Ghi chú | |
| Phôi A | 900.8 | 546.4 | 2.2 | <10 | ||
| Phôi B | 607.4 | 499.8 | 2.2 | <10 | Có lỗ | |
| Phôi C | 506 | 396 | 2.2 | <10 | Có lỗ | |
| Phôi D | 448 | 228 | 2.2 | <10 | ||
| Phôi E | 448 | 228 | 2.2 | <10 | Có lỗ | |
| Phôi F | 956 | 650 | 2.2 | <15 | Có lỗ | |
| Phôi G | 1150 | 896 | 2.2 | <20 | ||
| Phôi H | 598 | 278.4 | 2.2 | <10 | ||
| Phôi I | 598 | 278.4 | 2.2 | <10 | Có lỗ | |
| Phôi J | 2374 | 776 | 1.0 | <20 | ||
| Phôi K | 2436.2 | 760.9 | 1.0 | <20 | ||
| Phôi L | 2395.5 | 743.7 | 1.0 | <20 | ||
| Phôi M | 2412.7 | 793.2 | 1.0 | <20 | Có lỗ |






Tóm lại, nên sử dụng rô-bốt chấn STEP SR85.
Thời gian chấn tôn:
| Mã số | Phôi | Tổng thời gian chấn | Loại giác hút |
| 1 | Phôi A | 114s | a |
| 2 | Phôi B | 94s | b |
| 3 | Phôi C | 82s | b |
| 4 | Phôi D | 62s | c |
| 5 | Phôi E | 62s | c |
| 6 | Phôi F | 94s | a |
| 7 | Phôi G | 114s | a |
| 8 | Phôi H | 62s | c |
| 9 | Phôi I | 62s | c |
| 10 | Phôi J | 135s | d |
| 11 | Phôi K | 143s | d |
| 12 | Phôi L | 143s | d |
| 13 | Phôi M | 139s | d |
3.2 Cấu tạo hệ thống
(1) Đồ họa 3D

Sơ đồ hiệu ứng (Hình ảnh chỉ dùng để tham khảo)
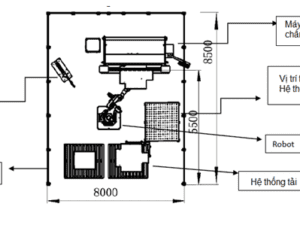
(2) Sơ đồ khu vực làm việc

Khu vực dây chuyền sản xuất: chiều dài và chiều rộng là 8000mmX8500mm
Video về sản phẩm máy chấn tôn thủy lực điều khiển cnc kết nối robot:
3.3 Quá trình sản xuất
Sắp đặt tấm kim loại sẽ được xử lý và bàn đặt thành phẩm
?khởi động hệ thống
? rô-bốt nâng vật liệu từ hệ thống tải
? rô-bốt gắp tấm vật liệu và đặt lên giữa bàn điều khiển vị trí
? rô-bốt gắp tấm kim loại để uốn
? rô-bốt gắp tấm kim loại để lật
? rô-bốt gắp tấm kim loại để tiếp tục uốn
? rô-bốt gắp phôi tới hệ thống dỡ tải
? chu kỳ tự động
(1) Sắp đặt tấm kim loại:
Sử dụng xe nâng để di chuyển vật liệu tới vị trí phù hợp.
(2) Rô-bốt gắp tấm vật liệu
(3) Phân tách tấm và định vị
Sau khi tay rô-bốt di chuyển tới khu vực vật liệu để hút tấm và phân tách, thì từng tấm vật liệu sẽ được đặt trên bàn hiệu chỉnh để định vị.

(4) Tự động uốn
Rô-bốt sẽ kéo tấm từ bàn hiệu chỉnh và tự động cuốn tấm vào máy chấn.

(5) Lật tấm kim loại

(6) Đóng vào pallet
Việc đóng vào pallet tùy thuộc theo yêu cầu của khách hàng.

3.4 Yêu cầu khu vực làm việc
- Toàn bộ dây chuyền có kích thước 8000*8500mm (Dài * Rộng)
- Yêu cầu nền móng: Nền móng chắc chắn, có khả năng chịu đựng 5 tấn/ m2. Nên sử dụng bê tông mác trên C20 (Độ bền nén sau 28 ngày không được nhỏ hơn 200 tấn/m2) và độ dày bê tông không nhỏ hơn 23cm.
- Bề mặt nền móng phải có độ bằng phẳng không vượt quá 3mm/m2 và tổng sai số không lớn hơn 10mm.
3.5 Danh mục cung cấp
| Hạng mục | Cấu hình | Nhãn hiệu | Số lượng | |
| A. Rô-bốt công nghiệp | ||||
| 1 | Rô-bốt | Thân rô-bốt, tủ điều khiển điện, cáp kết nối… | STEP | 1 |
| Hệ thống điều khiển, bộ điều khiển hiệu chỉnh STEP… | STEP | 1 | ||
| Bộ giảm tốc RV | Teijin | 1 | ||
| Động cơ Servo | 6 | |||
| 2 | Gói phần mềm chấn tôn | Phần mềm chấn tôn Rô-bốt STEP: Hệ thống uốn nối tiếp, gộp nhóm phân tách tấm, điều khiển chu trình khép kín khối sau, điều khiển giao tiếp hệ thống uốn… | STEP | 1 |
| B. Hệ thống rô-bốt kẹp | ||||
| 1 | Hệ thống kẹp | Tùy chỉnh, bao gồm thiết bị phát hiện tấm kim loại tự động | E&C | 4 |
| C. Hệ thống điều khiển vị trí trung tâm | ||||
| 1 | Hệ thống điều khiển vị trí trung tâm | Tùy chỉnh (định vị bóng) | E&C | 1 |
| D. Hệ thống tải/ dỡ tải | ||||
| 1 | Hệ thống tải/ dỡ tải | Kiểm tra tấm kim loại tự động, định vị tải và dỡ tải, bộ phân tách từ trường…
(Chiều cao tiến đến là 300m, chiều cao có thể tùy chỉnh) |
E&C | 1 |
| E. Bàn lật tấm | ||||
| 1 | Bàn lật tấm | Tùy chỉnh, giác hút nhập khẩu, ống chân không, van solenoid… | VETC SMC AIRTAC | 1 |
| F. Thiết bị dóng thẳng hàng tự động chu trình khép kín | ||||
| 1 | Thiết bị dóng thẳng hàng tự động chu trình khép kín cho cữ chặn sau máy chấn | Cảm biến vi trí, mô-đun giao tiếp | E&C | 4 |
| G. Hệ thống dò tìm phụ trợ | ||||
| 1 | Công tác dò tìm quang điện | Phát hiện độ an toàn | E&C | Vài cái |
| H. Hệ thống an toàn | ||||
| 1 | Hệ thống an toàn | Màn đèn an toàn, hàng rào, đèn 3 màu… | SICK | 1 |
| I. Hệ thống điều khiển | ||||
| 1 | Hệ thống điều khiển | Hộp vận hành PLC, đèn báo xử lý… | E&C | 1 |
| J. Máy chấn | ||||
| 1 | Máy chấn CNC | WEK 200T/4000MM 6+1 axis | SHENCHONG | 1 |
3.6 Lựa chọn Rô-bốt
Tương thích với rô-bốt được sử dụng trong hệ thống dây chuyền sản xuất, rô-bốt STEP SR85 sẽ được sử dụng.

Thông số rô-bốt

Cấu trúc hệ thống cơ học:
Hệ thống cơ học của rô-bốt được cấu thành chính là thân rô-bốt và các đường ống ngoại vi. Thân rô-bốt bao gồm các bộ phận chính là phần bệ đế, tay trục, tay rô-bốt và khớp xoay tay rô-bốt.


Phạm vi theo chiều âm và dương của mỗi trục rô-bốt:

Phạm vi làm việc của rô-bốt:

Đồ thị tải trọng của rô-bốt
Khi đặt bất kỳ tải trọng nào lên rô-bốt thì đều phải tuân thủ theo đồ thị tải trọng của rô-bốt để tránh hoạt động không ổn định của rô-bốt, động cơ, bộ giảm tốc, và tránh quá tải hệ thống.

Ghi chú: Quán tính xoay của trục J5 nhỏ hơn 50kg.m^2
Quán tính xoay của trục J6 nhỏ hơn 40kg.m^2
Tải trọng được tải bởi rô-bốt phải tuân thủ theo đồ thị tải trọng của rô-bốt, đặc tính của tải trọng và quán tính của nó phải được xác định trong những điều kiện khác nhau. Việc quá tải sẽ dẫn tới quá tải động cơ và bộ giảm tốc, rút ngắn tuổi thọ rô-bốt và có thể gây ra hư hại nghiêm trọng cho rô-bốt.
Hệ thống điều khiển rô-bốt
Hệ thống điều khiển bao gồm 3 bộ phận chính: Thiết bị đào tạo, thân rô-bốt và tủ điều khiển.
Thân rô-bốt:
- Động cơ servo công suất cao cho rô-bốt STEP;
- Bộ giảm tốc RV Teijin Nhật Bản;
- Không có thời gian chết trong thử nghiệm 120 giờ trước khi xuất xưởng;
Tủ điều khiển điện
- Tủ điện loại mới;
- Dây kết nối EtherCAT
- Điều khiển đa trục
- Tùy chỉnh theo yêu cầu khách hàng, tích hợp kỹ thuật điện theo yêu cầu ứng dụng.
Thiết bị đào tạo KEBA T70
- Thiết bị KEBA nhập khẩu từ Úc
- Được thiết kế thuận tiện cho vận hành với trọng lượng nhỏ
- Màn hình đứng 7’’ hiển thị nhiều thông tin hơn
- Công tắc an toàn hai chiều để đảm bảo độ an toàn cho người vận hành
- Được trang bị với giao diện USB giúp hỗ trợ nhập/ xuất dữ liệu đào tạo.
3.7 Tổng quan về các trạm thiết bị
- Hệ thống rô-bốt kẹp

- Hệ thống điều khiển vị trí trung tâm

- Hệ thống lật tấm

- Máy chấn


(1) Thông số kỹ thuật chính
| LOẠI | WE67K-200/4000(ESA S640) | ||
| STT | HẠNG MỤC | ĐƠN VỊ | THÔNG SỐ |
| 1 | Áp suất định mức | kN | 200 |
| 2 | Chiều dài bàn | mm | 4000 |
| 3 | Khoảng cách giữa các khoang máy | mm | 3200 |
| 4 | Chiều sâu họng máy | mm | 400 |
| 5 | Hành trình | mm | 200 |
| 6 | Tốc độ tiến | mm/s | 140 |
| 7 | Tốc độ lùi | mm/s | 100 |
| 8 | Trục (6+1) | Y1, Y2, X, R, Z1, Z2+V | |
| 9 | Dung sai song song Y1, Y2 | mm | ±0.01 |
| 10 | Độ chính xác định vị tùy ý trục X | mm | ±0.03 |
| 11 | Độ chính xác định vị lặp lại trục X | mm | ±0.015 |
| 12 | Tốc độ trục X | mm/s | 0-500 |
| 13 | Phạm vi định vị trục X | mm | 5-1000 |
| 14 | Độ chính xác định vị lặp lại trục R | mm | ±0.02 |
| 15 | Tốc độ trục R | mm/s | 0-500 |
| 16 | Phạm vi định vị trục R | mm | 200 |
| 17 | Độ chính xác định vị lặp lại trục Z1, Z2 | mm | ±0.05 |
| 18 | Tốc độ trục Z1, Z2 | mm/s | 0-500 |
| 19 | Phạm vi di chuyển trục Z1, Z2 | mm | 2000 |
| 20 | Chiều cao mở | mm | 470 |
| 21 | Động cơ servo trục X | kw | 0.75 |
| 22 | Động cơ servo trục R, (Z1, Z2) | kw | 1, (0.4*2) |
| 23 | Động cơ chính | kw | 15 |
| 24 | Bơm dầu | L/phút | 32 |
| 25 | Dung tích bình dầu | L | 330 |
| 26 | Tiếng ồn khởi động | dB | 68 |
| 27 | Kích thước (L*W*H) | mm | 4540x1880x2770 |
| 28 | Trọng lượng | T | 12.2 |
Mô tả trục CNC:
Trục Y1, Y2 – điều khiển các trục CNC của xylanh ở cả hai bên. Trục X điều khiển cữ phía sau và phía trước, trục R điều khiển cữ trên và dưới, trục Z1, Z2 điều khiển cữ bên trái và bên phải, bàn trục V là cơ cấu chống võng CNC.
(2) Cấu hình chính
| STT | HẠNG MỤC | CẤU HÌNH |
| 1 | Hệ thống điều khiển | ESA s640 (Italy) |
| 2 | Hệ thống điều khiển thủy lực | Van định lượng điện thủy lực ARGO-HYTOS |
| 3 | Vòng bọc nối | EMB (Đức) |
| 4 | Bơm áp suất cao | SUNNY (Mỹ) |
| 5 | Thước từ | ELGO (Đức) |
| 6 | Vòng đệm | SKF (Thụy Điển) |
| 7 | Chày trên và cối dưới | LIANMEN |
| 8 | Hệ thống cữ sau | SHENCHONG |
| 9 | Xylanh dầu | SHENCHONG |
| 10 | Thanh dẫn hướng tải trọng lớn | TIMKEN (Mỹ) |
| 11 | Động cơ sơ cấp | SIEMENS |
| 12 | Công tắc đơn cực/ hai cực | Schneider |
| 13 | Bộ đóng ngắt AC, rơ-le nhiệt | Schneider |
| 14 | Cầu dao mạch, nút bấm | Schneider |
| 15 | Rơ-le nhỏ | Schneider |
| 16 | Dẫn hướng tuyến tính, vít me | ABBA |
| 17 | Động cơ servo cữ sau | DETAL (Đài Loan) |
| 18 | Bảo vệ an toàn (bảo vệ bên và phía sau) | SHENCHONG |










1.Chi tiết
Thước từ
Cơ cấu bù cơ học CNC
Kẹp tiêu chuẩn
Đặc điểm của bộ điều khiển ESA-S640

CÁC ỨNG DỤNG ĐIỂN HÌNH
Máy chấn thông thường (Cơ học và thủy lực), máy chấn thủy lực đồng hộ, máy chấn một xy-lanh thủy lực điều khiển bằng động cơ servo, máy chấn dẫn động bằng điện.
Máy chấn cơ học Hydro với thông số phần mềm kiểu Mỹ
Hiệu chỉnh đồ họa 2d tương tác để nhập dữ liệu phôi và dao
Màn hình đồ họa 2D của máy, phôi và dao
Định dạng đồ họa 2D bằng tay giúp chu trình uốn tốt nhất
Lập trình vị trí các trục theo chế độ bảng biểu với trình kiểm tra cú pháp tự động, tính toán tự động các vị trí r, z và A và trọng tải uốn và chống võng.
Giao diện người dùng Windows.
Kết hợp lập trình ngoại tuyến trên máy tính tiêu chuẩn.
Ngôn ngữ lập trình plc IEC 61131-3 ở dạng ngôn ngữ il hoặc “c”.
Tin nhắn cảnh báo có thể tùy chỉnh.
CÁC THÔNG SỐ KỸ THUẬT CHUNG
Màn hình cảm ứng 15’’ (độ phân giải WSVGA 1366×768)
FPGA tích hợp điều khiển logics, sợi quang học
Cpu Via Nano X2 E 1,2 Ghz với RAM 2Gb
Ổ cứng silicon có thể lưu trữ trên 30.000 chương trình
2 Cổng rs-232
2 cổng USB
1 cổng Ethernet
2 cổng CAN
Giao diện quang học
Mạng địa phương
Nguồn 24Vdc
- Trách nhiệm các bên
4.1 Bên mua có trách nhiệm
(1) Kiểm tra phôi và phụ kiện;
(2) Cung cấp xe nâng, cẩu cho nhà cung cấp trong quá trình lắp đặt; cung cấp điện, nước, khí và các điều kiện cơ bản khác cho việc lắp đặt;
(3) Cung cấp dầu bôi trơn, dầu thủy lực, mỡ và các loại dầu khác cần cho quá trình chạy thử;
(4) Cung cấp nguồn điện tới dây dẫn điện tủ điện, nắp hố, dầm thép, các thiết bị xây dựng nền móng, nấp đất, đổ vữa…
(5) Cung cấp bản vẽ thích hợp về kích thước khu vực xung quanh thiết bị, kích thước vật liệu ra vào khu vực và hợp tác với bên B để kiểm tra thiết bị.
4.2 Nhà cung cấp có trách nhiệm
(1) Có trách nhiệm lắp đặt và chạy thử thiết bị;
(2) Có trách nhiệm về các thiết bị sẵn có của bên A, và đưa ra đề xuất phương án để cải thiện độ chính xác chiều dài của máy cắt tôn khi dầm được dỡ ra và thực hiện các thay đổi liên quan.
(3) Vận chuyển và tháo dỡ thiết bị;
(4) Bố trí khay cáp giữa tủ điện tới từng thiết bị và giữa tủ điện và rô-bốt
(5) Kết nối đường khí nén tới hệ thống tự động phía ngoài đường khí chính.
- Nghiệm thu
Dự án này đáp ứng các yêu cầu tiêu chuẩn quốc tế, quốc gia và tiêu chuẩn công nghiệp, đi kèm theo là thỏa thuận kỹ thuật của cả hai bên. Sau khi hợp đồng có hiệu lực, việc ký kết sơ đồ nền móng lắp đặt thiết bị và layout sẽ được thực hiện.
5.1 Nghiệm thu sơ bộ
Địa điểm nghiệm thu sơ bộ:
Đối tượng nghiệm thu sơ bộ: toàn bộ thiết bị tự động trong hợp đồng;
Điều kiện nghiệm thu sơ bộ: Thiết bị có một điều kiện chạy sấy khô máy duy nhất trong khi thực hiện nghiệm thu sơ bộ;
Tiêu chuẩn nghiệm thu sơ bộ: Tiêu chuẩn nghiệm thu được chấp thuận bởi cả hai bên; việc nghiệm thu phải tuân theo các tiêu chuẩn quốc giavà phương pháp thử nghiệm tương ứng, phải đáp ứng các yêu cầu theo thỏa thuận kỹ thuật và thông số kỹ thuật.
Nội dung nghiệm thu sơ bộ: Việc nghiệm thu dựa trên thỏa thuận kỹ thuật. Nhà cung cấp phải phát hành báo cáo kiểm tra xuất xưởng; kiểm tra các bộ phận và phụ kiện của hệ thống tự động. Sau khi thiết bị được nghiệm thu sơ bộ, nhà cung cấp và đại diện hợp pháp của hai bên sẽ thực hiện ký biên bản bàn giao sơ bộ.
5.2 Nghiệm thu cuối cùng
Sau khi lắp đặt và chạy thử tại nhà xưởng bên A, bên A sẽ cung cấp vật liệu và thực hiện chu trình gia công liên tục cho 2 sản phẩm bất kỳ trong 1 tuần. Nếu sản phẩm đáp ứng theo thỏa thuận kỹ thuật thì các yêu cầu kích thước thành phẩm sẽ được nghiệm thu.
Đối với việc nghiệm thu tỷ lệ thành công hàn, nếu sản phẩm đáp ứng yêu cầu (theo các yêu cầu bản vẽ), nếu tỷ lệ đáp ứng yêu cầu của thành phẩm cao hơn 95% thì sẽ được nghiệm thu.
Sau khi lắp đặt và chạy thử tại chỗ, thiết bị sẽ được thử nghiệm trong 1 tuần sau khi sản xuất thử, và người dùng sẽ không được chấp thuận để nghiệm thu. Do thiết bị của bên A, dự án không thể khắc phục sự cố thông thường và thời gian nhiều hơn 3 tháng. Việc nghiệm thu cuối cùng thiết bị sẽ phụ thuộc vào việc chạy thử 2 chương trình phôi.
Sau khi lắp đặt và chạy thử tại chỗ, việc nghiệm thu cuối cùng được thực hiện như sau:
* Địa điểm nghiệm thu cuối cùng: Nhà xưởng sản xuất của người dùng cuối
* Nghiệm thu cuối cùng: Toàn bộ các hạng mục nằm trong phạm vi cung cấp.
* Điều kiện nghiệm thu cuối cùng: Thiết bị phải sản xuất và hoạt động bình thường trong kiểm tra cuối cùng.
* Tiêu chuẩn nghiệm thu cuối cùng: Nghiệm thu cuối cùng đối với thiết bị và hệ thống sẽ được kiểm tra và nghiệm thu từng hạng mục theo như thỏa thuận kỹ thuật được ký bởi hai bên. Sau khi nghiệm thu cuối cùng, cả hai bên sẽ ký kết biên bản nghiệm thu và thời gian bảo hành sẽ được tính kể từ ngày ký kết biên bản nghiệm thu.
- Tài liệu và phụ kiện thay thế
- a) Nhà cung cấp sẽ cung cấp đầy đủ bộ tài liệu về cơ khí, điện và điện tử và 3 bộ tài liệu bản vẽ (Tiếng Trung Quốc)
- b) Hướng dẫn vận hành dây chuyền sản xuất
- c) Bản vẽ sơ bộ và sơ đồ khí nén của dây chuyền sản xuất
- d) Danh mục các bộ phận của dây chuyền sản xuất
- e) Thông tin về điện của dây chuyền sản xuất
- f) Toàn bộ tài liệu được có định dạng điện tử (định dạng text office 2003, bản vẽ định dạng DWG chạy AUTOCAD 2004 hoặc phiên bản cao hơn).
- Công trình công cộng
Bên A có trách nhiệm cho việc kết nối nguồn điện 380V tới tủ điện chính của bên B (cáp điện được dẫn tới đầu vào tủ điện chính), và tủ nguồn điện tổng của thiết bị nên được đặt gần thiết bị để dễ dàng cho người vận hành tiếp cận và sử dụng. Bên B có trách nhiệm cho việc kết nối từ tủ điện chính tới thiết bị.
7.2 Khí nén
Bên A cung cấp nguồn khí nén và được kết nối tới giao diện kết nối khí nén của thiết bị Bên B.
Thông số: 0.4-0.6 MPa
- Bảo hành, chạy thử và đào tạo
8.1 Kiểm tra và chạy thử
Bên B có trách nhiệm cho việc lắp đặt và chạy thử để đảm bảo thiết bị đáp ứng theo các tiêu chuẩn nghiệm thu. Giai đoạn đảm bảo chất lượng là 1 năm, được tính từ ngày ký kết nghiệm thu cuối cùng của cả hai bên. Toàn bộ các vấn đề chất lượng do thiết kế, sản xuất và các lý do khác sẽ được điều tra và xử lý bởi bên B trong giai đoạn bảo hành. Sau khi nghiệm thu cuối cùng, Bên B sẽ cử một nhân viên dịch vụ kỹ thuật về dây chuyền sản xuất tự động tới trong vòng 7 ngày chạy thử. Trong giai đoạn này, các khía cạnh về vận hành và độ ổn định của dây chuyền tự động sẽ được đánh giá. Nếu có vấn đề gì về chất lượng sản xuất, nhà cung cấp sẽ chịu trách nhiệm khắc phục cho tới khi đáp ứng yêu cầu.
8.2 Yêu cầu đào tạo
Bên B có trách nhiệm cho đào tạo sử dụng thiết bị trong vòng 1 tuần cho kỹ sư nhà xưởng và nhân viên bảo dưỡng Bên A.
Địa điểm đào tạo là tại nhà xưởng sản xuất của Bên A.
Xem thêm: Máy chấn tôn thủy lực điều khiển CNC
Mọi chi tiết xin vui lòng liên hệ:



































